Allt när det gäller stål och metaller


- Enhet
- Antal
-
- Radmärke
Vill du bli kund?
Ansök om kundkontoProduktinformation
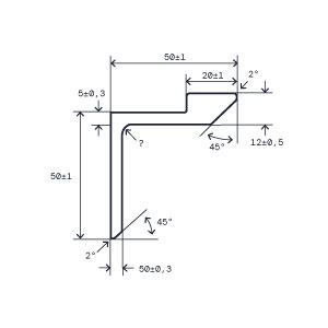
Kantprofil nr 2 i obehandlat stål S235JR utan svetsade kramlor, standard lagerlängd är 6 meter.
Allt när det gäller stål och metaller
Kantprofil nr 2 i obehandlat stål S235JR utan svetsade kramlor, standard lagerlängd är 6 meter.
Är du säker på att du vill ta bort konfigurationen?
Handelsstålsgruppen visar CO2e-avtrycket för lagerfört material. Siffran täcker alla utsläpp från produktion (A1-A3) och baseras på våra materialinköp från föregående helår.
Det glädjer oss att du vill bli kund hos oss. För att du som företagskund ska kunna handla av oss behöver du ansöka om ett kundkonto.
*Notera att vi enbart säljer till företagskunder, tyvärr ej till privatpersoner. Ansökningar utan organisationsnummer kommer ej att behandlas.